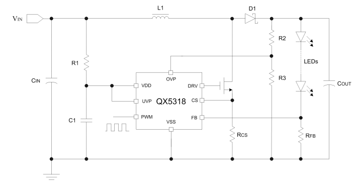
QX5318是一款高效率、高精度的升壓型大功率 LED燈恒流驅動控制芯片。
QX5318 內置高精度誤差放大器,固定關斷時間控制電路,恒流驅動電路等,特別適合大功率、多個高亮度LED燈串的恒流驅動。
QX5318 采用固定關斷時間的控制方式,其工作頻率最高可達350KHz,可使外部電感和濾波電容體積減小,效率提高,節省 PCB面積。
QX5318 通過調節外置的電流采樣電阻,能控制高亮度LED燈的驅動電流,使LED燈亮度達到預期恒定亮度。在 PWM端加PWM信號,還可以進行LED燈調光。
QX5318采用 SOP8封裝。
特點
寬輸入電壓范圍:5V~100V
高效率:可高達95%
最高工作頻率:350KHz
CS限流保護電壓:100mV
FB電流采樣電壓:200mV
芯片供電欠壓保護:2.4V
內置固定關斷時間 無頻閃的PWM調光 內置VDD穩壓5.6V
應用領域
LED燈杯
電池供電的LED燈串
平板顯示LED背光
大功率LED照明

