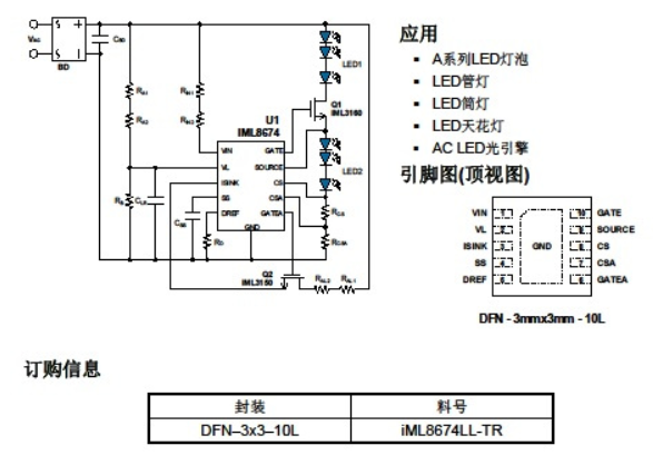
iML8674是一個支持可控硅調光的兩階LED電流控制器,具有線電壓調節補償,可在寬交流輸入電壓(AC)范圍內工作。它可以驅動兩個外部N通道功率MOSFET,以調節流經高壓(HV)LED串的電流,并調節主動負載電流、支持可控硅調光。iML8674在應用中與LED串聯/并聯連接,用作具有過壓保護(OVP)、線性過溫保護(OTP)、和線電壓補償功能的電流控制器。內置的主動負載電流控制器優化了可控硅調旋光性能,適用于經過整流后的交流電壓源直接驅動的應用。PCB設計可以非常靈活、緊湊以滿足各種形狀要求。它特別適用于取代白熾燈泡和管狀熒光燈。
·芯片-單芯片提供主動負載電流控制和兩階LED電流控制。-±10%交流電源波動范圍內,優異的系統功率調節。-6V至76V芯片電源電壓范圍。-過溫度保護&過壓保護。-DFN-3x3-10L封裝。系統一可完全使用固態電子器件。-驅動器和芯片同板設計解決方案,最大限度地減少工藝流程和組裝成本。-高PF和低THD性能。-靈活的PCB布局選項。-可控硅調光。

