CYT8000D是一款開關調節亮度/色溫的LED恒流驅動IC。適用于AC 180V-240V或AC 90V-130V輸入電壓,恒流精度小于±5%。當CYT8000D在3段調節亮度應用中,可根據開啟/關閉電源,依次改變輸出電流的大小,從而改變LED燈的亮度,調節比例可以通過外接CS電阻進行調整。
當CYT8000D在3段調節色溫應用中,可根據開啟/關閉電源,依次改變兩路輸出端口開關狀態電流,實現兩路不同顏色LED的LED燈燈珠交替亮滅以實現調節色溫功能,調節外接CS電阻可對輸出功率進行設置。
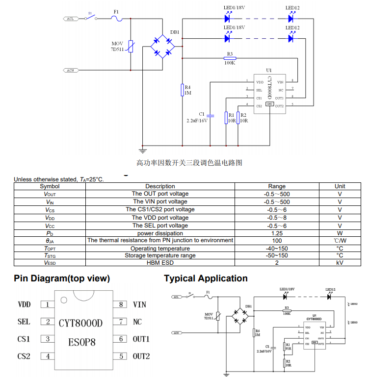
CYT8000D整體設計結構簡單,具有過溫、過壓等各種保護功能,無需變壓器和電解電容,該驅動方案外圍只需極少的元器件,可以實現全部SMT加工,可實現全自動化作業。
特性
? 輸入電壓:AC 100-240V
? 無需變壓器和電解電容
? 集成高壓啟動供電
? 可實現3段調節亮度,調節比例可外部設置
? 調光比例:100%--50%--X%
? 通過SEL腳設定:兩段或三段開關調光/調色
? 通過SEL腳設定:調色順序、全功率、半功率
? 0.5 - 3S 內實現開關切換,支持快速開關切換
? 片間電流偏差<±5%
? PF>0.9 、PF>0.5(無頻閃)
? 具有溫度自動調節功能
? 芯片應用系統無EMC問題
應用領域
? LED射燈 ? LED球泡燈 ? LED筒燈 ? LED吸頂燈 ? LED格柵燈等LED照明應用產品
