產品描述:
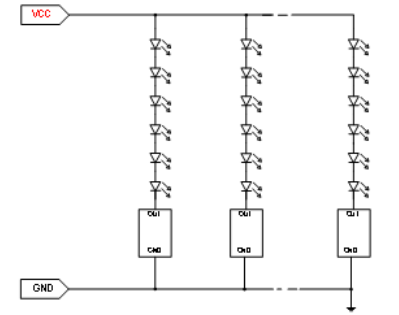
SM4AXXS是高性價比、支持PWM調光的單通道LED恒流驅動芯片,具有寬電壓范圍輸入、低閾值電壓開啟特點,解決因電源電壓衰減造成的LED燈帶亮度不一致問題。
特性 輸入電源電壓:2~40Vdc 輸出電流:固定為15MA/20MA/25MA/30MA, OUT端口耐壓:40V 輸出電流精度:±5% 恒流拐點電壓低:輸出電流負溫度特性 支持PWM調光 線路簡單、應用靈活,成本低
封裝形式:SOD-123

IC Name | Topology | IOUT Precision | IOUT.MAX | HV_MOSFET | BVDSS | Channel | Dimming mode | Package |
|---|
| SM4A00T | Linear | ±5% | 120mA | Inside | 40V | 1 | PWM | SOT23-5 |
| SM4A00TS | Linear | ±5% | 20~120mA | Inside | 40V | 1 | PWM | SOT23-3 、SOT89-3 |
| SM4A10T | Linear | ±5% | 10.5mA | Inside | 40V | 1 | PWM | SOT23-3 |
| SM4A15S | Linear | ±5% | 15MA | Inside | 40V | 1 | PWM | SOD-123 |
| SM4A15T | Linear | ±5% | 15.5mA | Inside | 40V | 1 | PWM | SOT23-3 |
| SM4A20S | Linear | ±5% | 20MA | Inside | 40V | 1 | PWM | SOD-123 |
| SM4A20T | Linear | ±5% | 20MA | Inside | 40V | 1 | PWM | SOT23-3 |
| SM4A25S | Linear | ±5% | 25MA | Inside | 40V | 1 | PWM | SOD-123 |
| SM4A25T | Linear | ±5% | 25mA | Inside | 40V | 1 | PWM | SOT23-3 |
| SM4A30S | Linear | ±5% | 30MA | Inside | 40V | 1 | PWM | SOD-123
|