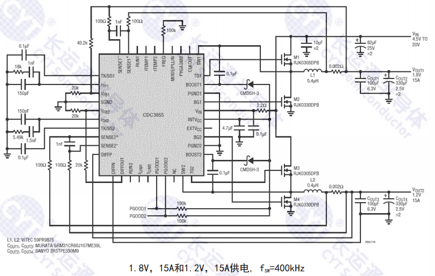
CDC3855是一款雙通道、多相、電流模式、同步降壓開關穩壓器控制器,可驅動所有N溝道功率MOSFET。器件內置了一個高速差分遙測采樣放大器。最大電流檢測電壓可編程為30mV、50mV或75mV,允許使用電感器DCR或分離式采樣電阻器采樣。CDC3855具有一個精準的0.6V基準電壓,最高輸出電壓為5.5V。4.5V至38V的寬輸入電源范圍可適應大多數母線電壓和電池電壓。通過使兩個控制器輸出級異相運作,最大限度地降低了功耗和電源噪聲。該器件可支持Burst模式操作、連續或脈沖跳躍模式。CDC3855最多可以支持12相操作運行,具有DCR溫度補償、兩個電源良好狀態指示信號和兩個限流設定腳。
產品特征
雙通道、180°定相控制器降低了所需的輸入
電容和電源感應噪聲
高效率:達95%
RSENSE或DCR電流檢測
可編程DCR溫度補償
±0.75%、0.6V輸出電壓精度
可鎖相固定頻率:250kHz~870kHz
遠端采樣差分放大器
雙路N溝道MOSFET同步驅動
VIN范圍:4.5V~38V
VouT范圍:0.6V~5.5V(未采用差分放大 器)
VouT范圍:0.6V~3.3V(采用差分放大器) 用于多達12相運作的時鐘輸入和輸出 可調軟啟動或VOUT跟蹤 折返輸出電流限制 輸出過壓保護
封裝形式:
QFN40 (6mm×6mm)
應用領域
DC/DC電源

