BP5778EK是一款雙通道可調光LED線性恒流驅動芯片主要用于市電輸入的各類智能調光光源和燈具的驅動。基于線性恒流技術的BP5778EK,可以省去磁性元件,有助于LED驅動器實現小體積、長壽命,并符合EMI標準。 BP5778EK支持PWM 輸入調光信號,輸出電流為模擬連續,改善調光時的頻閃和EMI性能。
優勢 頻閃低Pst LM<1,SVM<0.4 PWM 輸入調光信號,全程模擬輸出電流 1%--100%調光范圍 線電壓補償功能 單個Rcs 電阻設定兩路LED 電流 低待機功耗,100uA 內置500V 高壓MOS管 芯片間輸出電流偏差±5% 芯片內兩路之間輸出電流偏差±4% 內置過溫降電流功能 采用ESOP8封裝
應用領域 智能LED燈絲燈 智能LED 球泡燈 其它智能LED照明


| 產品型號 | 封裝 | 線補償 | 單顆功率 | 輸出最大電流能力 | 通道數 | MOS BV | 調光接口 | DIM Mode | 應用 |
| BP5712E | ESOP8 | Y | 10W | 80mA | 1 | 500V | PWM | 無頻閃 | ErP高壓線性單路調光恒流驅動 |
| BP5711EJ | ESOP8 | Y | 10W | 120mA | 1 | 500V | PWM/Analog | 斬波 | 高壓線性單路調光恒流驅動(斬波輸出) |
| BP5711FJ | ESOP8 | Y | 10W | 180mA | 1 | 500V | PWM | 無頻閃 | 高壓線性單路調光恒流驅動(模擬輸出) |
| BP5772D | ESOP8 | Y | 10W | 80mA | 2 | 500V/500V | PWM | 無頻閃 | ErP高壓線性雙路調光調色恒流驅動 |
| BP5776EK | EMSOP8 | Y | 5W | 100mA | 2 | 500V/500V | PWM | 無頻閃 | PWM轉模擬、雙通道高壓線性調光調色恒流驅動 |
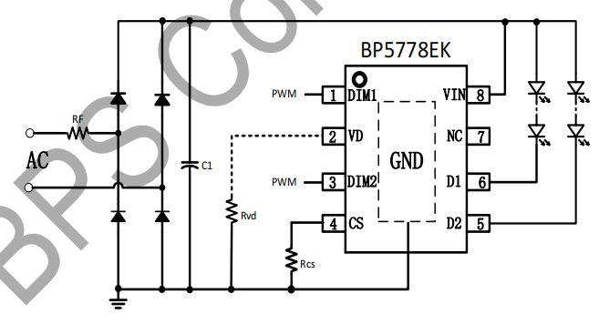
| BP5778EK | ESOP8 | Y | 10W | 100mA | 2 | 500V/500V | PWM | Analog | PWM轉模擬、雙通道高壓線性調光調色恒流驅動 |
| BP5778EJ | ESOP8 | N | 10W | 120mA | 2 | 500V/500V | PWM/Analog | 斬波 | 支持PWM和模擬DIM、雙通道線性調光調色恒流驅動 |
| BP1633CJ | ESOP-8 | N | 10W | 100mA | 3 | 40V / 6Ω | PWM | 斬波 | 三路獨立PWM調光調色 |
| BP1638CJ | ESOP-8 | N | 10W | 200mA | 3 | 40V / 6Ω | PWM | 斬波 | 三路獨立PWM調光調色 |
| BP1658CJ | ESOP-8 | N | 10W | CW:<75mA, RGB:<150mA | 5 | CW:500V RGB:40V | I2C | 無頻閃 | I2C五路線性調光調色 |
| BP5758D | ESOP-8 | N | 10W | 90mA | 5 | 500V | I2C | 無頻閃 | I2C五路線性調光調色 |
| BP5768D | ESOP10 | Y | 10W | 90mA | 5 | 500V | I2C | 無頻閃 | 新ErP,I2C五路線性調光調色 |