BP5358H是一款滿足分次諧波的高精度多段線性恒流LED控制芯片,集成了高壓 MOS管和JFET 高壓供電功能。主要用于驅動由市電供電的高電壓、低電流 LED 燈串。由于不需要電解電容和磁性元件,LED 驅動器可以實現小體積長壽命,并符合EMI規定。 BP5358H可以通過外部電阻精確的設定LED 電流,芯片通過優化分段導通時的電流基準,有利于減小THD。
優勢 優化電流基準,滿足分次諧波標準 外圍電路非常簡單,驅動器體積非常小 無需電解電容和磁性元件 700V 高壓MOS管 多芯片并聯使用時可節省跳線電阻 母線電壓變化士20%仍可工作 超快LED啟動 LED 電流可外部設定 輸入線電壓補償功能 內置過溫降電流功能 采用SOP7-EP封裝
應用領域 GU10/E27LED球泡燈、射燈 LED投光燈 其它LED 照明


| 產品型號 | 封裝 | 線補償 | 過熱調節 | MOS 耐壓 | 應用 | 單顆功率 |
| BP5133XJ | HSOP-7 | N | TREG:150℃ | 500V | 集成整流橋單段線性恒流 | 7W-10W |
| BP5228DL | ESOP8 | Y | TREG:140℃ | 500V/500V | 兩段線性 | 10W |
| BP5356HC | ESOP8 | Y | TREG:140℃ | 650V/650V/650V | 三段線性 | 10W |
| BP5356H | ESOP8 | Y | RTH可設置 | 700V/700V/700V | 三段線性 | 10W |
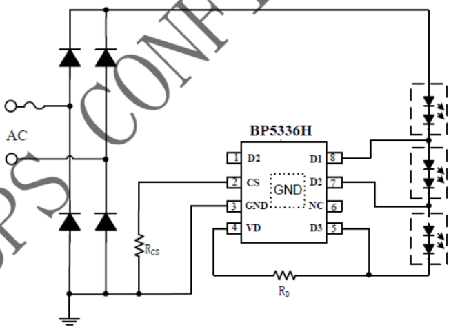
| BP5336H | ESOP8 | Y | TREG:140℃ | 700V/700V/700V | 三段線性 | 10W |
| BP5358H | ESOP8 | Y | RTH可設置 | 700V/700V/700V | 三段線性滿足分次諧波要求 | 10W |
| BP5218AS | ESSOP6 | Y | TREG:150℃ | 650V/650V | 雙壓線性恒流 | 10W |
| BP5212AS | HSOP7 | Y | TREG:150℃ | 700V/700V | 雙壓線性恒流 | 10W |
| BP5218E | ESOP8 | Y | TREG:150℃ | 700V/500V | 單段線性歐洲ERP外置恒功率補償 | 9W |
| BP5218EC | ESSOP6 | Y | TREG:150℃ | 500V/500V | 單段線性歐洲ERP內恒功率補償 | 9W |
| BP5218FCL | HSOP7 | Y | TREG:150℃ | 500V/500V | 單段線性歐洲ERP內恒功率補償 | 15W |
| BP5218ECL | ESSOP6 | N | TREG:150℃ | 500V | 高性價比單段線性歐洲ERP | 10W |
| BP5228FC | ESOP8 | Y | TREG:150℃ | 500V | 新國標寬壓輸入線性恒流 | 15W |
| BP5151DK | ESOP8 | Y | TREG:150℃ | 700V | 單段線性外置恒功率補償 | 10W |
| BP5131JA | SOT89-3 | N | TREG:150℃ | 500V | 單段線性恒流 | 7W |
| BP5116AJ | ESOP8 | N | TREG:150℃ | 500V | 單段線性恒流 | 7W |
| BP5116DJ | ESOP8 | N | TREG:150℃ | 500V | 單段線性恒流 | 10W |
| BP5131HC | ESOP8 | N | TREG:150℃ | 500V | 單段線性恒流 | 10W |
| BP5118GH | ESOP8 | Y | 135℃/150℃ | 500V | 高PF高效率單段線性恒流 | 15W |
| BP5133HC | HSOP-7 | N | TREG:150℃ | 500V | 集成整流橋單段線性恒流 | 10W |
| BP5138XJ | ESOP-6 | N | TREG:150℃ | 500V | 集成整流橋單段線性恒流 | 7W-10W |
| BP5151DH | ESOP8 | Y | TREG:130℃ | 700V | 單段線性外置恒功率補償 | 10W |